Kemična in farmacevtska industrija

V kemični industriji izvajamo projekte v bazični industriji in tovarnah barv in premazov. V farmacevtski industriji izvajamo projekte tabletarn, kozmetike ter v pripravi in razvodu tekočih medijev in energentov.

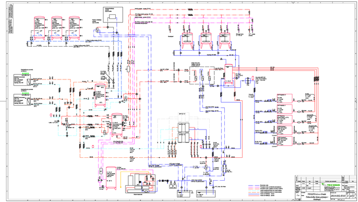
Procesni diagrami, diagrami pretoka, masne bilance

  • Tehnološke sheme krmiljenja
  • Pretočni diagrami
  • Funkcijske specifikacije
  • Popisi opreme

Projektiranje cevovodov za tekočine in pline

  • Preračuni cevovodov
  • Določitev potrebnih cevnih elementov cevnega sistema
  • Izometrije cevovodov
  • Podpore cevovodov
  • Projektiranje hidravličnih mrež
  • Popisi cevovodov

Dimenzioniranje procesne opreme

  • Črpalke
  • Ventilatorji
  • Regulacijski ventili
  • Pretokomerilci
  • Varnostni ventili

Projektiranje in dobava opreme

  • Projektiranje rezervoarjev
  • Projekriranje mešalnih in dozirnih posod
  • Projektiranje dozirnih sistemov za tekočine in prahove
  • Pridobitev ponudb in tehničnih specifikacij proizvajalcev opreme

Dokumentacija

  • Izdelava vseh potrebnih risb za izvedbo projektov
  • Izdelava 3D modelov postavitev in opreme, ter cevnih povezav
  • Izdelava tehničnih poročil analiz trdnosti in stabilnosti

Nadzor

  • Izvajamo projektantski in strokovni nadzor pri vgradnji opreme in zagonu
  • Izvajamo šolanje operaterjev postrojenj

Naša spletna stran uporablja piškotke, ki vam omogočajo boljšo uporabniško izkušnjo in delovanje spletne strani.

Več o tem

Uporaba piškotkov na naši spletni strani

Pravna podlaga

Podlaga za obvestilo je spremenjeni Zakon o elektronskih komunikacijah (Uradni list št. 109/2012; v nadaljevanju ZEKom-1), ki je začel veljati v začetku leta 2013. Prinesel je nova pravila glede uporabe piškotkov in podobnih tehnologij za shranjevanje informacij ali dostop do informacij, shranjenih na računalniku ali mobilni napravi uporabnika.

Kaj so piškotki?

Piškotki so majhne datoteke, pomembne za delovanje spletnih strani, največkrat z namenom, da je uporabnikova izkušnja boljša.

Piškotek običajno vsebuje zaporedje črk in številk, ki se naloži na uporabnikov računalnik, ko ta obišče določeno spletno stran. Ob vsakem ponovnem obisku bo spletna stran pridobila podatek o naloženem piškotku in uporabnika prepoznala.

Poleg funkcije izboljšanja uporabniške izkušnje je njihov namen različen. Piškotki se lahko uporabljajo tudi za analizo vedenja ali prepoznavanje uporabnikov. Zato ločimo različne vrste piškotkov.

Vrste piškotkov, ki jih uporabljamo na tej spletni strani

Piškotki, ki jih uporabljamo na tej strani sledijo smernicam:

Informacijske pooblaščenke RS (PDF)

Mednarodne gospodarske zbornice (PDF)

1. Nujno potrebni piškotki

Tovrstni piškotki omogočajo uporabo nujno potrebnih komponent za pravilno delovanje spletne strani. Brez teh piškotov servisi, ki jih želite uporabljati na tej spletni strani, ne bi delovali pravilno (npr. prijava, nakupni proces, ...).

2. Izkustveni piškotki

Tovrstni piškotki zbirajo podatke, kako se uporabniki vedejo na spletni strani z namenom izboljšanja izkustvene komponente spletne strani (npr. katere dele spletne strani obiskujejo najpogosteje). Ti piškotki ne zbirajo informacij, preko katerih bi lahko identificirali uporabnika.

3. Funkcionalni piškotki

Tovrstni piškotki omogočajo spletni strani, da si zapomni nekatere vaše nastavitve in izbire (npr. uporabniško ime, jezik, regijo) in zagotavlja napredne, personalizirane funkcije. Tovrstni piškotki lahko omogočajo sledenje vašim akcijam na spletni strani.

4. Oglasni ali ciljani piškotki

Tovrstne piškotke najpogosteje uporabljajo oglaševalska in družabna omrežja (tretje strani) z namenom, da vam prikažejo bolj ciljane oglase, omejujejo ponavljanje oglasov ali merijo učinkovitost oglaševalskih akcij. Tovrstni piškotki lahko omogočajo sledenje vašim akcijam na spletu.

Nadzor piškotkov

Za uporabo piškotkov se odločate sami. Piškotke lahko vedno odstranite in s tem odstranite vašo prepoznavnost na spletu. Prav tako večino brskalnikov lahko nastavite tako, da piškotkov ne shranjujejo.

Za informacije o možnostih posameznih brskalnikov predlagamo, da si ogledate nastavitve.

Upravljalec piškotkov

Techno Group d.o.o